东莞市惠威音响灯光工程公司 返回首页 | 加入收藏 | 在线留言
首 页 公司简介 新闻动态 解决方案 工程案例 技术资源 服务支持
全球首座举重博物馆...
东莞又添一座网红地...
原来新一线城市的社...
优质校园离不开声光...
● 歌剧影院工程
● 体育场馆工程
● 多功能厅工程
● 闭路监控工程
● 歌舞迪厅工程
● 慢遥酒吧工程
● 公共广播工程
● KTV包房工程
● LED屏幕工程
● 综合布线工程
● 家庭影院系统
● 会场礼仪庆典
 灯光音响租凭
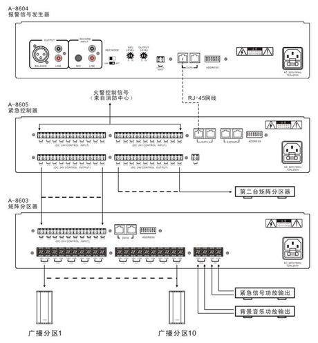
惠威A-8605紧急控制器

惠威A-8605紧急控制器

 详情说明
A-8605紧急控制器

一.产品特点

1.20路消防信号采集、21路紧急联动控制信号输出
2.配合消防中心实现消防联动广播功能
3.消防联动方式可选(N,N±1,N±2)
4.配合A-8606寻呼话筒组成寻呼广播系统
5.可联机扩容

二.产品参数

A-8605紧急控制器
紧急输入通道

20路

紧急输出通道

21路

可联机扩展

4台

紧急输入控制方式

DC-24V

紧急输入控制电流

5mA/路

紧急输出控制方式

DC-24V

紧急输出控制电流

100mA/路

紧急联动方式

N±1  N±2可选

通信协议

CAN总线

净   重

5.0Kg

机身尺寸(mm)

359.5*484*88mm

 
 
世富科技控股(广东)有限公司 版权所有@ Copyright 2008 电话:0769-22246945/22246400/22932328  传真:0769-22246400 访问量:
地址:东莞市莞城街道东纵路莞城段124号盈峰广场二楼 经营许可证:粤ICP备2024324968号 技术支持:企讯网 网站地图 sitemap[网站管理] 【百度统计】
点击进入微博