



一、产品特点
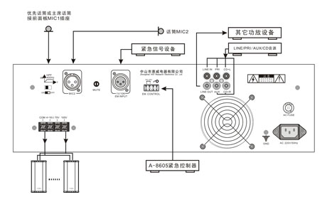
1、提供100V/70V定压输出及4~16Ω定阻输出
2、CD、AUX、MIC、平衡输入一应俱全
3、紧急强切功能
4、三级优先静音功能
5、分组音量控制,统一高、低音调调节
6、过压保护、过载保护、短路保护、过热保护
7、内置警笛及提示音信号发生器
二、产品参数
|
AI-360合并功放 |
|
额定输出功率 |
360W |
|
功 耗 |
720W |
|
输入灵敏度 |
CD1 500mv,AUX,PRI,LINE 250mv,EM平衡1V |
|
话筒MIC1非平衡 10mv,话筒MIC2平衡 10mv |
|
保护功能 |
温度,过流,过载,短路 |
|
静音功能 |
EM第一优先级,PR1第二优先级,话筒MIC1第三优先级 |
|
额定电源 |
AC220V/50Hz |
|
信噪比 |
线路>75dB 话筒>75dB |
|
总谐波失真 |
<0.5% (1KHz,正常工作条件) |
|
频率响应 |
70Hz-18KHz -3dB |
|
音调调节 |
BASS:±10dB TREBLE:±10dB |
|
强切控制方式 |
DC-24V或短路 |
|
净 重 |
26.8Kg |
|
机身尺寸(mm) |
484*458*132mm |